Three/Mono Phase Asynchronous Motor Simulator
When repairing stuff with a motor the first question is:
“Is it the motor or is it the board that failed?”
For a recent Inverter Air Conditioner board repair the following tool helped to answer that question.
The circuit can act as Induction Motor aka asynchronous motor .
Inverter Air Conditioners which use AC motors take the 220V from the grid and turn them into about 150V three phase AC which drives the motor.
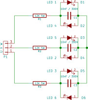
So to test if the board is OK, connect the device in the place of the motor and see if the leds are flashing. /If leds are placed in a nice circle you actually see how the motor rotates/.
You can test if the mono phase motor is powered too – only the leds flash two by two not in circle.
It can be build in quite small box and is handy when doing work on the field.
